 |
Assembler Crashkurs (80x86)
Inhalt
- Was ist das Ziel dieses Crashkurses?
- Was ist ein Assembler?
- Was kann ein Assembler?
- Was ist ein Register?
- Was ist Speicher?
- Was ist ein Stack?
- Adressierungsarten
- Prozeduren
- Flüchtige und
nicht-flüchtige Register / Anbindung an C
Was ist das Ziel dieses Crashkurses?
Ziel dieses Crashkurses ist es, einen Überblick über die
Assembler-Programmierung zu geben, insbesondere für die
Teilnehmer von BS1, die noch keine Assemblerkenntnisse besitzen.
Wir bilden uns nicht ein, dass ihr am Ende komplexe
Assemblerprogramme schreiben könnt, aber das braucht ihr
schließlich auch nicht. Wir hoffen aber, dass ihr auf diese
Weise zumindest eine gewisse Vorstellung davon erhaltet, wie ein
Hochsprachenprogramm in Assembler aussieht und bei entsprechender
Hilfestellungen auch selbst ganz kleine Assemblerfunktionen schreiben
könnt.
Die verschiedenen Konzepte werden am Beispiel des 80x86 Prozessors
erläutert. Diese Prozessorreihe stammt von der Firma Intel und
steckt direkt oder als Nachbau u. a. in jedem PC. Die verwendete
Notation entspricht dem Netwide Assembler NASM, der auch bei der
Entwicklung den Übungsbetriebssystems Stubs Verwendung findet.
Den "Rahmen" eines Assemblerprogramms erklären wir hier nicht,
den schaut ihr euch am besten an einer Assemblerdatei ab.
Was ist ein Assembler?
Ein Assembler ist genaugenommen ein Compiler, der den
Code eines "Assemblerprogramms" in Maschinensprache, d. h. Nullen und
Einsen übersetzt. Anders als ein C Compiler hat es der Assembler
jedoch sehr einfach, da (fast immer) einer Assembleranweisung genau
eine Maschinensprachenanweisung entspricht. Das Assemblerprogramm ist
also nur eine für Menschen (etwas) komfortablere Darstellung des
Maschinenprogramms:
Statt 000001011110100000000011 schreiben zu
müssen, kann der Programmierer die Assembleranweisung
add ax,1000 verwenden, die (bei den 80x86 Prozessoren) genau
dasselbe bedeutet:
| symbolische Bezeichnung | Maschinencode |
| add ax | 00000101 |
| 1000 (dez.) | 0000001111101000 |
(Zusätzlich vertauscht der Assembler noch die Reihenfolge der
Bytes des Offsets)
| 00000101 | 11101000 | 00000011 |
| add ax | low Byte | high Byte |
Im üblichen Sprachgebrauch wird unter "Assembler" jedoch weniger
der Compiler verstanden, als die symbolische Notation der
Maschinensprache. add eax,1000 ist dann also eine
Assembleranweisung.
Was kann ein Assembler?>
Ein Assembler kann eigentlich sehr wenig, nämlich nur das, was
der Prozessor direkt versteht. Die ganzen schönen Konstrukte
höherer Programmiersprachen, die dem Programmierer erlauben,
seine Algorithmen in verständliche, (ziemlich) fehlerfreie
Programme zu übertragen fehlen:
- keine komplexen Anweisungen
- keine komfortablen for, while, reapeat-until Schleifen, sondern
fast nur gotos
- keine strukturierten Datentypen
- keine Unterprogramme mit Parameterübergabe
- ...
Beispiele:
-
Die C Anweisung
summe = a + b + c + d; ist für einen
Assembler zu kompliziert und muss daher in mehrere Anweisungen
aufgeteilt werden. Der 80x86 Assembler kann immer nur zwei
Zahlen addieren und das Ergebnis in einer der beiden
verwendeten "Variablen" (Akkumulatorregister) speichern. Das
folgende C Programm entspricht daher eher einem Assemblerprogramm:
summe = a;
summe = summe + b;
summe = summe + c;
summe = summe + d;
und würde beim 80x86 Assembler so aussehen:
mov eax,[a]
add eax,[b]
add eax,[c]
add eax,[d]
-
Einfache if-then-else Konstrukte sind für Assembler auch
schon zu schwierig:
if (a == 4711)
{
...
}
else
{
...
}
und müssen daher mit Hilfe von gotos ausgedrückt
werden:
if (a != 4711)
goto ungleich
gleich: ...
goto weiter:
ungleich: ...
weiter: ...
Im 80x86 Assembler sieht das dann so aus:
cmp eax,4711
jne ungleich
gleich: ...
jmp weiter
ungleich: ...
weiter: ...
-
Einfache Zählschleifen werden vom 80x86 Prozessor schon
besser unterstützt. Das folgende C Programm
for (i=0; i<100; i++)
{ summe = summe + a;
}
sieht im 80x86 Assembler etwa so aus:
mov ecx,100
schleife: add eax,[a]
loop schleife
Der Loop-Befehl dekrementiert implizit das ecx Register
und führt den Sprung nur aus, wenn der Inhalt des ecx
Registers anschließend nicht 0 ist.
Was ist ein Register?
In den bisher genannten Beispielen wurden anstelle der Variablennamen
des C Programms stets die Namen von Registern verwendet. Ein Register
ist ein winziges Stückchen Hardware innerhalb des Prozessors, das
beim 80386 und höher bis zu 32 Bits, also 32 Ziffern im Bereich 0 und 1
speichern kann.
Der 80386 besitzt folgende Register:
| Allgemeine Register |
| Name | Bemerkung |
| eax | allgemein verwendbar, spezielle Bedeutung bei
Arithmetikbefehlen |
| ebx | allgemein verwendbar |
| ecx | allgemein verwendbar, spezielle Bedeutung bei
Schleifen |
| edx | allgemein verwendbar |
| ebp | Basepointer |
| esi | Quelle (eng: source) für Stringoperationen |
| edi | Ziel (eng: destination) für Stringoperationen |
| esp | Stackpointer |
| Segmentregister |
| Name | Bemerkung |
| cs | Codesegment |
| ds | Datasegment |
| ss | Stacksegment |
| es | beliebiges Segment |
| fs | beliebiges Segment |
| gs | beliebiges Segment |
| Sonstige Register |
| Name | Bemerkung |
| eip | Instruction Pointer |
| ef | Flags |
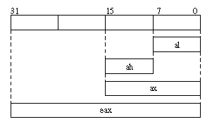
Die unteren beiden Bytes der Register eax, ebx, ecx und edx haben
eigene Namen, beim eax Register sieht das so aus:
Was ist Speicher?
Meistens reichen die Register nicht aus, um ein Problem zu
lösen. In diesem Fall muss auf den Hauptspeicher des
Computers zugegriffen werden, der erheblich mehr Information speichern
kann. Für den Assemblerpogrammierer sieht der Hauptspeicher wie
ein riesiges Array von Registern aus, die je nach Wunsch 8, 16 oder 32
Bits "breit" sind. Die kleinste adressierbare Einheit ist also ein
Byte (= 8 Bits). Daher wird auch die Größe des Speichers in
Bytes gemessen. Um auf einen bestimmten Eintrag des Arrays
"Hauptspeicher" zugreifen zu können, muss der Programmierer
den Index, d. h. die Adresse des Eintrages kennen. Das erste
Byte des Hauptspeichers bekommt dabei die Adresse 0, das zweite die
Adresse 1 usw.
In einem Assemblerprogramm können Variablen angelegt werden,
indem einer Speicheradresse ein Label zugeordnet und dabei
Speicherplatz in der gewünschten Größe reserviert
wird.
[SECTION .data]
gruss: db 'hello, world'
unglueck: dw 13
million: dd 1000000
[SECTION .text]
mov ax,[million]
...
|  |
Was ist ein Stack?
Nicht immer will man sich ein neues Label ausdenken, nur um
kurzfristig mal den Wert eines Registers zu speichern, beispielsweise,
weil man das Register für eine bestimmte Anweisung benötigt,
den alten Wert aber nicht verlieren möchte. In diesem Fall
wünscht man sich sowas wie einen Schmierzettel. Den bekommt man
mit dem Stack. Der Stack ist eigentlich nichts weiter als ein
Stück des Hauptspeichers, nur dass dort nicht mit festen
Adressen gearbeitet wird, sondern die zu sichernden Daten einfach
immer oben drauf geschrieben (push) bzw. von oben
heruntergeholt werden (pop). Der Zugriff ist also ganz
einfach, vorausgesetzt man erinnert sich daran, in welcher Reihenfolge
die Daten auf den Stapel gelegt wurden. Ein spezielles Register, der
Stackpointer esp zeigt stets auf das oberste Element des
Stacks. Da push und pop immer nur 32 Bits
auf einmal transferieren können, ist der Stack in der folgenden
Abbildung vier Bytes breit dargestellt.
Adressierungsarten
Die meisten Befehle des 80x86 können ihre Operanden wahlweise aus
Registern, aus dem Speicher oder unmittelbar einer Konstante
entnehmen. Beim mov Befehl sind (u. a.) folgende Formen
möglich, wobei der erste Operand stets das Ziel und der zweite
stets die Quelle der Kopieraktion angeben:
- Registeradressierung: Der Wert eines Registers wird in ein
anderes übertragen.
mov ebx,edi
- Unmittelbare Adressierung: Die Konstante wird in das Register
übertragen.
mov ebx,1000
- Direkte Adressierung: Der Wert der an der angegebenen
Speicherstelle steht, wird in das Register
übertragen.
mov ebx,[1000]
- Register-Indirekte Adressierung: Der Wert, der an der
Speicherstelle steht, die durch das zweite Register bezeichnet
wird, wird in das erste Register übertragen.
mov ebx,[eax]
- Basis-Register Adressierung: Der Wert, der an der Speicherstelle
steht, die sich durch die Summe des Inhalts des zweiten
Registers und der Konstanten ergibt, wird in das erste Register
übertragen.
mov eax,[10+esi]
Anmerkung: Wenn der 80x86 Prozessor im Real-Mode betrieben wird
(z.B. bei der Arbeit mit dem Betriebssystem MS DOS), werden
Speicheradressen durch ein Segmentregister und einen Offset
angegeben. Bei der Veranstaltung Betriebssysteme 1 ist das nicht
nötig (sondern sogar falsch), weil Stubs im Protected Mode
läuft und die Segmentregister von uns bereits für euch
initialisiert wurden.
Prozeduren
Aus den höheren Programmiersprachen ist das Konzept der Funktion
oder Prozedur bekannt. Der Vorteil dieses Konzeptes gegenüber
einem goto besteht darin, dass die Prozedur von jeder beliebigen
Stelle im Programm aufgerufen werden kann und das Programm
anschließend an genau der Stelle fortgesetzt wird, die nach dem
Prozeduraufruf folgt. Die Prozedur selbst muss nicht wissen, von
wo sie aufgerufen wurde und wo es hinterher weiter geht. Das geschieht
irgendwie automatisch. Aber wie?
Die Lösung besteht darin, dass nicht nur die Daten des
Programms, sondern auch das Programm selbst im Hauptspeicher liegt und
somit zu jeder Maschinencodeanweisung eine eigene Adresse
gehört. Damit der Prozessor ein Programm ausführt, muss
sein Befehlszeiger auf den Anfang des Programms zeigen,
also die Adresse der ersten Maschinencodeanweisung in das spezielle
Register Befehlszeiger (instruction pointer eip) geladen
werden. Der Prozessor wird dann den auf diese Weise bezeichneten
Befehl ausführen und im Normalfall anschließend den Inhalt
des Befehlszeigers um die Länge des Befehls im Speicher
erhöhen, so dass er auf die nächste Maschinenanweisung
zeigt. Bei einem Sprungbefehl wird der Befehlszeiger nicht um die
Länge des Befehls, sondern um die angegebene relative Zieladresse
erhöht oder erniedrigt.
Um nun eine Prozedur oder Funktion (in Assembler dasselbe)
aufzurufen, wird zunächst einmal wie beim Sprungbefehl verfahren,
nur dass der alte Wert des Befehlszeigers (+ Länge des
Befehls) zuvor auf den Stack geschrieben wird. Am Ende der Funktion
genügt dann ein Sprung an die auf dem Stack gespeicherte Adresse,
um zu dem aufrufenden Programm zurückzukehren.
Beim 80x86 erfolgt das Speichern der Rücksprungadresse auf dem
Stack implizit mit Hilfe des call Befehls. Genauso führt der ret
Befehl auch implizit einen Sprung an die auf dem Stack liegende
Adresse durch:
; ----- Hauptprogramm -----
;
main: ...
call f1
xy: ...
; ----- Funktion f1
f1: ...
ret
Wenn die Funktion Parameter erhalten soll, werden diese
üblicherweise ebenfalls auf den Stack geschrieben, natürlich
vor dem call Befehl. Hinterher müssen sie natürlich wieder
entfernt werden, entweder mit pop, oder durch direktes
Umsetzen des Stackpointers:
push eax ; zweiter Parameter fuer f1
push ebx ; erster Parameter fuer f1
call f1
add esp,8 ; Parameter vom Stack entfernen
Um innerhalb der Funktion auf die Parameter zugreifen zu
können, wird üblicherweise der Basepointer ebp zu
Hilfe genommen. Wenn er gleich zu Anfang der Funktion gesichert und dann mit
dem Wert des Stackpointers belegt wird, kann der erste Parameter
immer über [ebp+8] und der zweite Parameter über
[ebp+12] erreicht werden, unabhängig davon, wieviele
push und pop Operationen seit Beginn der
Funktion verwendet wurden.
f1: push ebp
mov ebp,esp
...
mov ebx,[ebp+8] ; 1. Parameter in ebx laden
mov eax,[ebp+12] ; 2. Parameter in eax laden
...
pop ebp
ret
Flüchtige und nicht-flüchtige
Register / Anbindung an C
Damit Funktionen von verschiedenen Stellen des Assemblerprogramms
heraus aufgerufen werden können, ist es wichtig festzulegen,
welche Registerinhalte von der Funktion verändert werden
dürfen und welche bei Verlassen der Funktion noch (oder wieder)
den alten Wert besitzen müssen. Am sichersten ist es
natürlich, grundsätzlich alle Register, die die Funktion zur
Erfüllung ihrer Aufgabe benötigt, zu Beginn der Funktion auf
dem Stack zu speichern und unmittelbar vor Verlassen der Funktion
wieder zu laden.
Die Assemblerprogramme, die der GNU C Compiler erzeugt, verfolgen
jedoch eine etwas andere Strategie: Sie gehen davon aus, dass
viele Register sowieso nur kurzfristig verwendet werden, zum Beispiel
als Zählvariable von kleinen Schleifen oder um die Parameter
für eine Funktion auf den Stack zu schreiben. Hier wäre es
reine Verschwendung, die ohnehin längst veralteten Werte zu
Beginn einer Funktion mühsam zu sichern und am Ende
wiederherzustellen. Da man einem Register nicht ansieht, ob sein
Inhalt wertvoll ist oder nicht, haben die Entwickler des GNU C
Compilers einfach festgelegt, dass die Register
eax, ecx und edx
grundsätzlich als flüchtige Register zu betrachten
sind, deren Inhalt einfach überschrieben werden darf. Das Register
eax hat dabei noch eine besondere Rolle: Es liefert
den Rückgabewert der Funktion (soweit erforderlich). Die Werte
der übrigen Register müssen dagegen gerettet werden, bevor
sie von einer Funktion überschrieben werden dürfen. Sie
werden deshalb nicht-flüchtige Register genannt.
|
 |